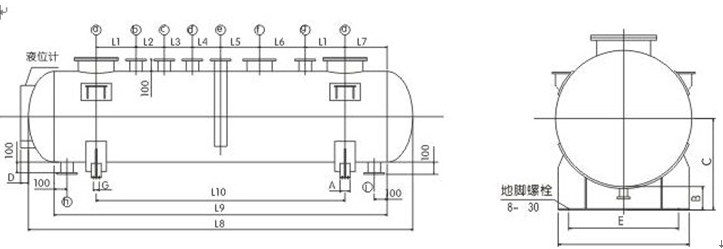
本设备用于储存30%浓度盐酸液或稀硫酸,材质为碳钢内表面衬耐酸胶板防腐。不采用的管口应封闭,液位计采用增强聚丙烯玻璃管液位计,也可根据工程要求选用其它种类的液位计,订货时说明即可。设备不能在真空状态下运行。
设备规格及技术参数
酸储罐尺寸及管口图
酸储罐管口公称直径表(mm)