压力容器
您当前的位置:首页 / 产品服务 / 压力容器
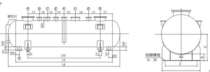
碱储罐

本设备用于储存20~40%浓度碱液(NaOH)。不采用的管口应封闭,因储存介质不同,在选用时应注明液位计品种,液位计品种有增强聚丙烯玻璃管液位计(用于NaOH),也可根据工程要求选用其它种类的液位计。设备不能在真空状态下运行。

设备规格及技术参数

碱储罐尺寸及管口图

碱储罐管口公称直径表(mm)

产品详细资料请咨询大连爱德摩设备制造有限公司